LMR-H/LH
คำอธิบายคุณสมบัติ
LMR (Heavy Load – Square High Type) ใช้การออกแบบลูกบอลเหล็ก 4 แถว พร้อมมุมสัมผัส 45 องศา ให้ความแข็งแรงสูงและรองรับน้ำหนักได้มาก พร้อมคุณสมบัติการปรับแนวอัตโนมัติซึ่งช่วยทำให้ได้การเคลื่อนที่เชิงเส้นที่มีความแม่นยำสูง
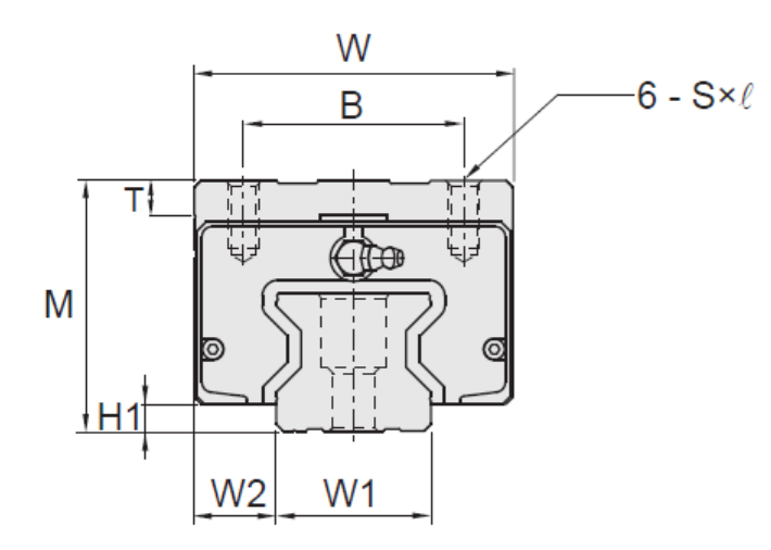
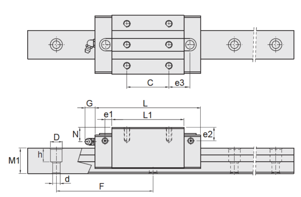
Specifications
หน่วย/Unit : mm
| รุ่น | ขนาดชุดประกอบ | ขนาดบล็อกสไลด์ | ขนาดราง | ค่าพิกัดรับน้ำหนักพื้นฐาน | โมเมนต์สถิตที่กำหนด | น้ำหนัก | ดาวน์โหลดไฟล์ 2D | ดาวน์โหลดไฟล์ 3D | ดาวน์โหลดไฟล์ที่สร้างอัตโนมัติ | |||||||||||||||||||||||
|---|---|---|---|---|---|---|---|---|---|---|---|---|---|---|---|---|---|---|---|---|---|---|---|---|---|---|---|---|---|---|---|---|
| ความสูง | ความกว้าง | ความยาว | B | C | รูติดตั้ง Sx𝓁 | L1 | T | H1 | N | e1 | e2 | e3 | G | ขนาดหัวอัดจาระบี | ความกว้าง | ความสูง | ระยะรู | รูสกรูยึดติดตั้ง | ค่ารับน้ำหนักแบบไดนามิก | ค่ารับน้ำหนักแบบสถิต | MP (KN.m) | MY (KN.m) | MR (KN.m) | น้ำหนักบล็อก kg | น้ำหนักราง kg/m | |||||||
| M | W | L | W1 | W2 | M1 | F | Dxhxd | C KN | C₀ KN |
|||||||||||||||||||||||
| LMR25 H | 40 | 48 | 101.2 | 35 | 35 | M6x8 | 65.2 | 8 | 5 | 10.6 | 7.5 | 10.5 | 22.1 | 15 | M6x0.75 | 23 | 12.5 | 23.6 | 30 | 11x9x7 | 26.6 | 60.6 | 0.59 | 0.59 | 0.74 | 0.61 | 3.16 | LMR25H | LMR25R500-10-10H | LMR25H | LMR25R500-10-10H | LMR-H/LH圖檔下載 |
| LMR25 LH | 40 | 48 | 117.2 | 35 | 50 | M6x8 | 81.2 | 8 | 5 | 10.6 | 7.5 | 10.5 | 22.65 | 15 | M6x0.75 | 23 | 12.5 | 23.6 | 30 | 11x9x7 | 30.9 | 73.3 | 0.85 | 0.85 | 0.90 | 0.76 | 3.16 | LMR25LH | LMR25LH | |||
| LMR30 H | 45 | 60 | 113.1 | 40 | 40 | M8x10 | 71.5 | 9 | 5.8 | 10.2 | 7.5 | 10.3 | 22.75 | 15 | M6x0.75 | 28 | 16 | 28 | 40 | 14x12x9 | 39.6 | 82.5 | 0.85 | 0.85 | 1.26 | 0.94 | 4.4 | LMR30H | LMR30R500-10-10H | LMR30H | LMR30R500-10-10H | |
| LMR30 LH | 45 | 60 | 135 | 40 | 60 | M8x10 | 93.4 | 9 | 5.8 | 10.2 | 7.5 | 10.3 | 24 | 15 | M6x0.75 | 28 | 16 | 28 | 40 | 14x12x9 | 51.3 | 115.5 | 1.64 | 1.64 | 1.76 | 1.15 | 4.4 | LMR30LH | LMR30LH | |||
| LMR35 H | 55 | 70 | 129 | 50 | 50 | M8x12 | 86 | 15 | 6 | 17 | 8 | 16 | 25 | 15 | M6x0.75 | 34 | 18 | 30.2 | 40 | 14x12x9 | 49.4 | 110.0 | 1.49 | 1.49 | 2.01 | 1.55 | 6.23 | LMR35H | LMR35R1000-20-20H | LMR35H | LMR35R1000-20-20H | |
| LMR35 LH | 55 | 70 | 154.8 | 50 | 72 | M8x12 | 111.8 | 15 | 6 | 17 | 8 | 16 | 26.9 | 15 | M6x0.75 | 34 | 18 | 30.2 | 40 | 14x12x9 | 58.8 | 137.5 | 2.30 | 2.30 | 2.51 | 2.07 | 6.23 | LMR35LH | LMR35LH | |||
| LMR45 H | 70 | 86 | 153 | 60 | 60 | M10x17 | 107 | 12 | 7.8 | 20 | 8.5 | 20 | 30.5 | 16.5 | PT 1/8 | 45 | 20.5 | 38 | 52.5 | 20x17x14 | 88.3 | 213.5 | 3.56 | 3.56 | 5.00 | 3.07 | 10.23 | LMR45H | LMR45R1000-25-30H | LMR45H | LMR45R1000-25-30H | |
| LMR45 LH | 70 | 86 | 184.2 | 60 | 80 | M10x17 | 138.2 | 12 | 7.8 | 20 | 8.5 | 20 | 36.1 | 16.5 | PT 1/8 | 45 | 20.5 | 38 | 52.5 | 20x17x14 | 109.4 | 281.4 | 6.12 | 6.12 | 6.59 | 3.87 | 10.23 | LMR45LH | LMR45LH | |||
| LMR55 H | 80 | 100 | 182 | 75 | 75 | M12x18 | 126.4 | 17 | 10 | 22 | 9 | 20 | 32.7 | 16.5 | PT 1/8 | 53 | 23.5 | 44 | 60 | 23x20x16 | 120.0 | 299.29 | 5.80 | 5.80 | 8.25 | 4.27 | 14.45 | |||||
| LMR55 LH | 80 | 100 | 231.6 | 75 | 95 | M12x18 | 176 | 17 | 10 | 22 | 9 | 20 | 47.5 | 16.5 | PT 1/8 | 53 | 23.5 | 44 | 60 | 23x20x16 | 154.6 | 414.4 | 10.82 | 10.82 | 11.42 | 5.94 | 14.45 | LMR55LH | LMR55R1000-20-20H | LMR55LH | LMR55R1000-20-20H | |
