LMGQ-T/ST
คำอธิบายคุณสมบัติ
Linear Guideway LMGQ Series
ใช้การออกแบบลูกบอลเหล็ก 4 แถว พร้อมมุมสัมผัส 45 องศา ให้ความแข็งแรงสูงและรองรับน้ำหนักได้มาก มีความสามารถในการรับแรงเท่ากันทั้ง 4 ทิศทาง อีกทั้งคุณสมบัติการปรับแนวอัตโนมัติ ทำให้ได้การเคลื่อนที่เชิงเส้นที่มีความแม่นยำสูง
อีกทั้งยังช่วยเพิ่มพื้นที่กักเก็บสารหล่อลื่น ลดเสียงรบกวนระหว่างการเคลื่อน และช่วยยืดอายุการใช้งานของรางได้อย่างมีประสิทธิภาพ
Specifications
หน่วย/Unit : mm
| รุ่น | ขนาดชุดประกอบ | ขนาดบล็อกสไลด์ | ขนาดราง | ค่าพิกัดรับน้ำหนักพื้นฐาน | โมเมนต์สถิตที่กำหนด | น้ำหนัก | ดาวน์โหลดไฟล์ 2D | ดาวน์โหลดไฟล์ 3D | ดาวน์โหลดไฟล์ที่สร้างอัตโนมัติ | ||||||||||||||||||||||||||
|---|---|---|---|---|---|---|---|---|---|---|---|---|---|---|---|---|---|---|---|---|---|---|---|---|---|---|---|---|---|---|---|---|---|---|---|
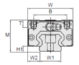
| ความสูง | ความกว้าง | ความยาว | B | C | รูติดตั้ง Sx𝓁 | L1 | T | H1 | N | e1 | e2 | e3 | e4 | G | ขนาดหัวอัดจาระบี | ความกว้าง | ความสูง | ระยะรู | รูสกรูยึดติดตั้ง | ค่ารับน้ำหนักแบบไดนามิก | ค่ารับน้ำหนักแบบสถิต | MP (KN.m) | MY (KN.m) | MR KN.m | น้ำหนักบล็อก kg | น้ำหนักราง kg/m | |||||||||
| M | W | L | W1 | W2 | M1 | F | Dxhxd | C KN | C₀ KN | บล็อกเดี่ยว | บล็อกคู่แบบชิด | บล็อกเดี่ยว | บล็อกคู่แบบชิด | ||||||||||||||||||||||
| LMGQ15 T | 24 | 34 | 61.2 | 26 | 26 | M4x5 | 43.8 | 6 | 4 | 5 | 3.3 | 4 | 12.9 | - | 5 | M4x0.7 | 15 | 9.5 | 13 | 60 | 7.5x5.3x4.5* | 11.8 | 18.9 | 0.13 | 0.76 | 0.13 | 0.76 | 0.15 | 0.14 | 1.29 | LMGQ15T | LMG15R500-10-10H | LMGQ15T | LMG15R500-10-10H | LMGQ-T/ST圖檔下載 |
| LMGQ20 ST | 28 | 42 | 50.9 | 32 | - | M5x6 | 28.3 | 6 | 4.6 | 6.5 | 4.5 | 5 | - | 18.7 | 12 | M6x0.75 | 20 | 11 | 15 | 60 | 9.5x8.5x6 | 11.7 | 14.8 | 0.07 | 0.52 | 0.07 | 0.52 | 0.15 | 0.13 | 1.92 | LMGQ20ST | LMG20R500-10-10H | LMGQ20ST | LMG20R500-10-10H | |
| LMGQ20 T | 28 | 42 | 76.1 | 32 | 32 | M5x6 | 53.7 | 6 | 4.6 | 6.5 | 4.5 | 5 | 15.4 | - | 12 | M6x0.75 | 20 | 11 | 15 | 60 | 9.5x8.5x6 | 20 | 32 | 0.30 | 1.68 | 0.30 | 1.68 | 0.33 | 0.26 | 1.92 | LMGQ20T | LMGQ20T | |||
| LMGQ25 T | 33 | 48 | 84.7 | 35 | 35 | M6x7 | 62.7 | 6 | 5.5 | 7 | 5 | 6.5 | 18.9 | - | 12 | M6x0.75 | 23 | 12.5 | 18 | 60 | 11x9x7 | 27.9 | 42.5 | 0.44 | 2.47 | 0.44 | 2.47 | 0.51 | 0.41 | 2.67 | LMGQ25T | LMG25R500-10-10H | LMGQ25T | LMG25R500-10-10H | |
- ราง LMG15
รูเจาะหัวจมสำหรับสลักเกลียวมาตรฐานของราง (7.5 × 5.3 × 4.5) ใช้สลักเกลียว M4 รุ่นรางระบุเป็น LMG15R
หากต้องการใช้สลักเกลียว M3 ขนาดรูเจาะหัวจมจะเป็น (6 × 4.5 × 3.5) และรุ่นรางจะระบุเป็น LMG15U
