LMG-T/LT/ST/V/LV
คำอธิบายคุณสมบัติ
LMG ใช้การออกแบบลูกบอลเหล็ก 4 แถว พร้อมมุมสัมผัส 45 องศา ให้ความแข็งแรงสูงและรองรับน้ำหนักได้มาก พร้อมคุณสมบัติการปรับแนวอัตโนมัติซึ่งช่วยทำให้ได้การเคลื่อนที่เชิงเส้นที่มีความแม่นยำสูง
รูปแบบการกำหนดรหัสรุ่น
หน่วย/Unit : mm
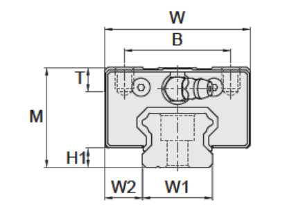
| รุ่น | ขนาดชุดประกอบ | ขนาดบล็อกสไลด์ | ขนาดราง | ค่าพิกัดรับน้ำหนักพื้นฐาน | โมเมนต์สถิตที่กำหนด | น้ำหนัก | ดาวน์โหลดไฟล์ 2D | ดาวน์โหลดไฟล์ 3D | ดาวน์โหลดไฟล์ที่สร้างอัตโนมัติ | ||||||||||||||||||||||||||
|---|---|---|---|---|---|---|---|---|---|---|---|---|---|---|---|---|---|---|---|---|---|---|---|---|---|---|---|---|---|---|---|---|---|---|---|
| ความสูง | ความกว้าง | ความยาว | B | C | รูติดตั้ง Sx𝓁 | L1 | T | H1 | N | e1 | e2 | e3 | e4 | G | ขนาดหัวอัดจาระบี | ความกว้าง | ความสูง | ระยะรู | รูสกรูยึดติดตั้ง | ค่ารับน้ำหนักแบบไดนามิก | ค่ารับน้ำหนักแบบสถิต | MP (KN.m) | MY (KN.m) | MR KN.m | น้ำหนักบล็อก kg | น้ำหนักราง kg/m | |||||||||
| M | W | L | W1 | W2 | M1 | F | Dxhxd | C KN | C₀ KN | บล็อกเดี่ยว | บล็อกคู่แบบชิด | บล็อกเดี่ยว | บล็อกคู่แบบชิด | ||||||||||||||||||||||
| LMG15 ST | 24 | 34 | 40.7 | 26 | - | M4x5 | 22 | 6 | 4.5 | 5 | 3.3 | 4 | - | 14.8 | 5 | M4x0.7 | 15 | 9.5 | 13 | 60 | 7.5x5.3x4.5* | 7.3 | 9.4 | 0.03 | 0.27 | 0.03 | 0.27 | 0.07 | 0.09 | 1.29 | LMG15ST | LMG15R500-10-10H | LMG15ST | LMG15R500-10-10H | LMG-T/LT/ST圖檔下載 |
| LMG15 T | 24 | 34 | 58.2 | 26 | 26 | M4x5 | 39.5 | 6 | 4.5 | 5 | 3.3 | 4 | 10.6 | - | 5 | M4x0.7 | 15 | 9.5 | 13 | 60 | 7.5x5.3x4.5* | 11.8 | 18.9 | 0.13 | 0.76 | 0.13 | 0.76 | 0.15 | 0.15 | 1.29 | LMG15T | LMG15T | |||
| LMG15 LT | 24 | 34 | 72.6 | 26 | 34 | M4x5 | 53.6 | 6 | 4.5 | 5 | 3.3 | 4 | 13.7 | - | 5 | M4x0.7 | 15 | 9.5 | 13 | 60 | 7.5x5.3x4.5* | 14.4 | 25.2 | 0.23 | 1.29 | 0.23 | 1.29 | 0.2 | 0.21 | 1.29 | LMG15LT | LMG15LT | |||
| LMG20 ST | 28 | 42 | 47.4 | 32 | - | M5x6 | 24.9 | 6 | 4.6 | 6.5 | 4.5 | 5 | - | 17 | 12 | M6x0.75 | 20 | 11 | 15 | 60 | 9.5x8.5x6 | 11.7 | 14.8 | 0.07 | 0.52 | 0.07 | 0.52 | 0.15 | 0.15 | 1.92 | LMG20ST | LMG20R500-10-10H | LMG20ST | LMG20R500-10-10H | |
| LMG20 T | 28 | 42 | 75 | 32 | 32 | M5x6 | 52.5 | 6 | 4.6 | 6.5 | 4.5 | 5 | 14.8 | - | 12 | M6x0.75 | 20 | 11 | 15 | 60 | 9.5x8.5x6 | 20 | 32 | 0.30 | 1.68 | 0.30 | 1.68 | 0.33 | 0.28 | 1.92 | LMG20T | LMG20T | |||
| LMG25 ST | 33 | 48 | 59.5 | 35 | - | M6x7 | 34.5 | 8 | 6 | 7 | 5 | 6.5 | - | 22.3 | 12 | M6x0.75 | 23 | 12.5 | 18 | 60 | 11x9x7 | 19.2 | 24.8 | 0.16 | 1.07 | 0.16 | 1.07 | 0.30 | 0.26 | 2.67 | LMG25ST | LMG25R500-10-10H | LMG25ST | LMG25R500-10-10H | |
| LMG25 T | 33 | 48 | 83.8 | 35 | 35 | M6x7 | 58.6 | 8 | 6 | 7 | 5 | 6.5 | 16.8 | - | 12 | M6x0.75 | 23 | 12.5 | 18 | 60 | 11x9x7 | 27.9 | 42.5 | 0.44 | 2.47 | 0.44 | 2.47 | 0.51 | 0.41 | 2.67 | LMG25T | LMG25T | |||
| LMG25 V | 36 | 48 | 83.8 | 35 | 35 | M6x9 | 58.8 | 8 | 6 | 10 | 5 | 9.5 | 16.8 | - | 12 | M6x0.75 | 23 | 12.5 | 18 | 60 | 11x9x7 | 27.9 | 42.5 | 0.44 | 2.47 | 0.44 | 2.47 | 0.51 | 0.47 | 2.67 | |||||
| LMG25 LV | 36 | 48 | 102.8 | 35 | 50 | M6x9 | 77.8 | 8 | 6 | 10 | 5 | 9.5 | 16.8 | - | 12 | M6x0.75 | 23 | 12.5 | 18 | 60 | 11x9x7 | 34.2 | 56.6 | 0.76 | 3.99 | 0.76 | 3.99 | 0.67 | 0.61 | 2.67 | |||||
| LMG30 T | 42 | 60 | 98 | 40 | 40 | M8x10 | 69.8 | 8 | 8 | 8 | 6 | 8 | 20 | - | 12 | M6x0.75 | 28 | 16 | 23 | 80 | 14x12x9* | 38.8 | 57.8 | 0.70 | 3.88 | 0.70 | 3.88 | 0.83 | 0.79 | 4.48 | LMG30T | LMG30T | |||
| LMG30 LT | 42 | 60 | 120.2 | 40 | 60 | M8x10 | 92 | 8 | 8 | 8 | 6 | 8 | 21.1 | - | 12 | M6x0.75 | 28 | 16 | 23 | 80 | 14x12x9* | 47.5 | 77.1 | 1.21 | 6.28 | 1.21 | 6.28 | 1.11 | 1.02 | 4.48 | |||||
| LMG35 T | 48 | 70 | 111.2 | 50 | 50 | M8x12 | 80.2 | 10 | 9.5 | 8 | 7.5 | 8 | 21.6 | - | 12 | M6x0.75 | 34 | 18 | 26 | 80 | 14x12x9 | 51.7 | 75.5 | 1.04 | 5.72 | 1.04 | 5.72 | 1.31 | 1.14 | 6.24 | |||||
| LMG35 LT | 48 | 70 | 136.6 | 50 | 72 | M8x12 | 105.6 | 10 | 9.5 | 8 | 7.5 | 8 | 23.3 | - | 12 | M6x0.75 | 34 | 18 | 26 | 80 | 14x12x9 | 63.2 | 100.7 | 1.81 | 9.29 | 1.81 | 9.29 | 1.75 | 1.47 | 6.24 | |||||
| LMG45 T | 60 | 86 | 137.8 | 60 | 60 | M10x17 | 102.2 | 16 | 11 | 10 | 8.5 | 10 | 27.6 | - | 13.5 | PT 1/8 | 45 | 20.5 | 32 | 105 | 20x17x14 | 83.2 | 118.0 | 2.03 | 10.89 | 2.03 | 10.89 | 2.71 | 2.17 | 10.25 | |||||
| LMG45 LT | 60 | 86 | 169.5 | 60 | 80 | M10x17 | 133.9 | 16 | 11 | 10 | 8.5 | 10 | 33.5 | - | 13.5 | PT 1/8 | 45 | 20.5 | 32 | 105 | 20x17x14 | 101.7 | 157.3 | 3.54 | 17.76 | 3.54 | 17.76 | 3.62 | 2.81 | 10.25 | |||||
| LMG55 T | 70 | 100 | 166 | 75 | 75 | M12x18 | 126 | 17 | 13 | 12 | 9 | 10.5 | 33.5 | - | 13.5 | PT 1/8 | 53 | 23.5 | 44 | 120 | 23x20x16 | 130 | 184 | 2.08 | 12.35 | 2.08 | 12.35 | 5.12 | 5.20 | 15.08 | |||||
| LMG55 LT | 70 | 100 | 204 | 75 | 95 | M12x18 | 164 | 17 | 13 | 12 | 9 | 10.5 | 42.5 | - | 13.5 | PT 1/8 | 53 | 23.5 | 44 | 120 | 23x20x16 | 156 | 241 | 3.49 | 19.14 | 3.49 | 19.14 | 6.69 | 6.17 | 15.08 | |||||
- ราง LMG15
รูเจาะหัวจมสำหรับสลักเกลียวมาตรฐานของราง (7.5 × 5.3 × 4.5) ใช้สลักเกลียว M4 รุ่นรางระบุเป็น LMG15R
หากต้องการใช้สลักเกลียว M3 ขนาดรูเจาะหัวจมจะเป็น (6 × 4.5 × 3.5) และรุ่นรางจะระบุเป็น LMG15U - ราง LMG30
รูเจาะหัวจมสำหรับสลักเกลียวมาตรฐานของราง (14 × 12 × 9) ใช้สลักเกลียว M8 รุ่นรางระบุเป็น LMG30R
หากต้องการใช้สลักเกลียว M6 ขนาดรูเจาะหัวจมจะเป็น (11 × 9 × 7) และรุ่นรางจะระบุเป็น LMG30U
