LMG-TC
คำอธิบายคุณสมบัติ
LMG-TC เป็นรางลิเนียร์แบบแฟลนโปรไฟล์ต่ำ ใช้การออกแบบลูกบอลเหล็ก 4 แถว พร้อมมุมสัมผัส 45 องศา ให้ความแข็งแรงสูงและรองรับน้ำหนักได้มาก อีกทั้งคุณสมบัติการปรับแนวอัตโนมัติช่วยให้ได้การเคลื่อนที่เชิงเส้นที่มีความแม่นยำสูง
ด้วยการออกแบบที่กะทัดรัด ช่วยให้ติดตั้งได้สะดวก เหมาะสำหรับผู้ที่มีข้อจำกัดด้านความสูงและพื้นที่ โดยสามารถรับน้ำหนักเทียบเท่ากับรางลิเนียร์แบบ Standard flange
รูปแบบการกำหนดรหัสรุ่น
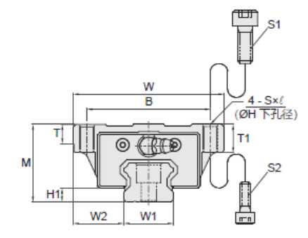
หน่วย/Unit : mm
| รุ่น | ขนาดชุดประกอบ | ขนาดบล็อกสไลด์ | ขนาดราง | ค่าพิกัดรับน้ำหนักพื้นฐาน | โมเมนต์สถิตที่กำหนด | น้ำหนัก | ดาวน์โหลดไฟล์ 2D | ดาวน์โหลดไฟล์ 3D | ดาวน์โหลดไฟล์ที่สร้างอัตโนมัติ | ||||||||||||||||||||||||||
|---|---|---|---|---|---|---|---|---|---|---|---|---|---|---|---|---|---|---|---|---|---|---|---|---|---|---|---|---|---|---|---|---|---|---|---|
| ความสูง | ความกว้าง | ความยาว | B | C | รูติดตั้ง Sx𝓁 | L1 | T | T1 | H1 | N | e1 | e2 | e3 | G | ขนาดหัวอัดจาระบี | ความกว้าง | ความสูง | ระยะรู | รูสกรูยึดติดตั้ง | ค่ารับน้ำหนักแบบไดนามิก | ค่ารับน้ำหนักแบบสถิต | MP (KN.m) | MY (KN.m) | MR KN.m | น้ำหนักบล็อก kg | น้ำหนักราง kg/m | |||||||||
| M | W | L | W1 | W2 | M1 | F | Dxhxd | C KN | C₀ KN | บล็อกเดี่ยว | บล็อกคู่แบบชิด | บล็อกเดี่ยว | บล็อกคู่แบบชิด | ||||||||||||||||||||||
| LMG15 TC | 24 | 52 | 58.2 | 41 | 26 | M5x7 | 39.5 | 5 | 7 | 4.5 | 5 | 3.3 | 4 | 8.6 | 5 | M4x0.7 | 15 | 18.5 | 13 | 60 | 7.5x5.3x4.5* | 11.8 | 18.9 | 0.13 | 0.76 | 0.13 | 0.76 | 0.15 | 0.20 | 1.29 | LMG15C | LMG15R500-10-10H | LMG15C | LMG15R500-10-10H | LMG-C/LC圖檔下載 |
| LMG20 TC | 28 | 59 | 75 | 49 | 32 | M6x9 | 52.5 | 5 | 9 | 4.6 | 6.5 | 4.5 | 7 | 10.8 | 12 | M6x0.75 | 20 | 19.5 | 15 | 60 | 9.5x8.5x6 | 20 | 32 | 0.30 | 1.68 | 0.30 | 1.68 | 0.33 | 0.36 | 1.92 | LMG20C | LMG20R500-10-10H | LMG20C | LMG20R500-10-10H | |
| LMG25 TC | 33 | 73 | 83.8 | 60 | 35 | M8X10 | 58.8 | 6 | 10 | 6 | 7 | 5 | 9.5 | 11.8 | 12 | M6x0.75 | 23 | 25 | 18 | 60 | 11x9x7 | 27.9 | 42.5 | 0.44 | 2.47 | 0.44 | 2.47 | 0.51 | 0.58 | 2.67 | LMG25C | LMG25R500-10-10H | LMG25C | LMG25R500-10-10H | |
| LMG30 TC | 42 | 90 | 98 | 72 | 40 | M10x15 | 69.8 | 12 | 15.2 | 8 | 8 | 6 | 8 | 14 | 12 | M6x0.75 | 28 | 31 | 23 | 80 | 14x12x9* | 38.8 | 57.8 | 0.70 | 3.88 | 0.70 | 3.88 | 0.83 | 1.10 | 4.48 | LMG30C | LMG30R500-10-10H | LMG30C | LMG30R500-10-10H | |
| LMG35 TC | 48 | 100 | 111.2 | 82 | 50 | M10x15 | 80.2 | 10 | 15.3 | 9.5 | 8 | 7.5 | 8 | 15.6 | 12 | M6x0.75 | 34 | 33 | 26 | 80 | 14x12x9 | 51.7 | 75.5 | 1.04 | 5.72 | 1.04 | 5.72 | 1.31 | 1.50 | 6.24 | LMG35C | LMG35R1000-20-20H | LMG35C | LMG35R1000-20-20H | |
- รางลิเนียร์ไกด์รุ่น LMG15
รูย้ำหัวสกรูแบบมาตรฐาน (7.5 × 5.3 × 4.5) ใช้สกรูขนาด M4 โดยรหัสรุ่นรางคือ LMG15R
หากต้องการใช้สกรูขนาด M3 ขนาดรูย้ำหัวสกรูจะเป็น (6 × 4.5 × 3.5) และรหัสรุ่นรางจะระบุเป็น LMG15U - รางลิเนียร์ไกด์รุ่น LMG30
รูย้ำหัวสกรูแบบมาตรฐาน (14 × 12 × 9) ใช้สกรูขนาด M8 โดยรหัสรุ่นรางคือ LMG30R
หากต้องการใช้สกรูขนาด M6 ขนาดรูย้ำหัวสกรูจะเป็น (11 × 9 × 7) และรหัสรุ่นรางจะระบุเป็น LMG30U
